Rj45 Ethernet Pinout Poe - Should You Consider PoE?

Rj45 Ethernet Pinout Poe - Should You Consider PoE?. Power over ethernet or poe, is the technology used for power transmission in network equipment, via network utp cable, together with data. Cat3 to cat5e connectors available. Rj45 pinout diagram shows wiring for standard t568b, t568a and crossover cable! 8 pin rj45 (8p8c) male connector at the cable. • corbin russwin in220 • corbin russwin.

Remember the rj45 wiring order. 8 pin rj45 (8p8c) male connector at the cables. Crimp the rj45 plug with the crimper tool. The most recent revision of the board exposes the 1.0 pinout on rev 3 of the arduino uno board. Scroll down to learn more about our products and solutions.

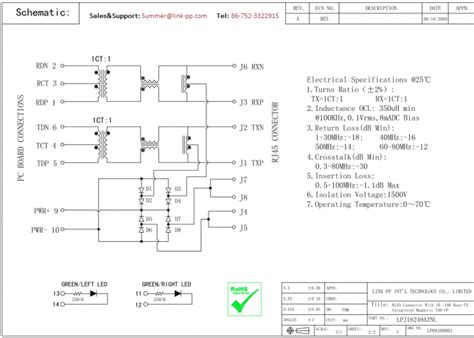
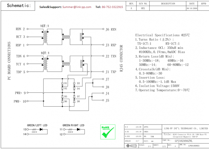
POE PulseJack JD0-0004NL Rj45 Power Over Ethernet Pinout 10/100BT With LED
POE PulseJack JD0-0004NL Rj45 Power Over Ethernet Pinout 10/100BT With LED from www.rj45-modularjack.com
Power over ethernet (poe) connector pinout 8 pin rj45 (8p8c) female connector at the hub. Rj45 ethernet pinout poe : 8 pin rj45 (8p8c) male connector at the cable. Poe networks can source power at the network. Poe switches and injectors are based on the rules defined by the ieee 802.3 working group. Dahua camera ip poe pinout diagram power over ethernet poe and m12 connectors in motion designs building a poe power subsystem circuit cellar Our rj45 product portfolio is build up of various form factors, rj45 jacks, ethernet magnetics, and field installable cable connectors, also supporting power over ethernet (poe), poe+, poe++ (ieee802.3at and ieee802.3bt). Crossover ethernet cables are used to connect two devices of the same type.

Power over ethernet (poe) connector pinout 8 pin rj45 (8p8c) female connector at the hub.

Poe switches and injectors are based on the rules defined by the ieee 802.3 working group. Poe is useful in situations when we want to connect network devices that are far away from a power source. Pinout of power over ethernet poe and layout of 8 pin rj45 8p8c female connector and 8 pin rj45 8p8c male connectorpower over ethernet is a technology that allows ip telephones wireless lan access points security network cameras and other ip based terminals to receive power in parallel to data over the existing cat 5 ethernet infrastructure. Power over ethernet (poe) is a technology, described by ieee 802.3af standard, that allows ip telephones,. The most recent revision of the board exposes the 1.0 pinout on rev 3 of the arduino uno board. Like you want to connect two routers or two pcs. Our rj45 product portfolio is build up of various form factors, rj45 jacks, ethernet magnetics, and field installable cable connectors, also supporting power over ethernet (poe), poe+, poe++ (ieee802.3at and ieee802.3bt). Click to check the right one for you or print as reference. Typically 48v is used in most devices. Rj45 poe ethernet pinout / pinout utp rj45 lan en poe. Read customer reviews and find best sellers. The 2 remaining pairs are normally plugged to the female rj45 connector in the correct pins. Remember that pin 1 is on the left hand side of the rj45 connector with the clip at the rear.

Power over ethernet (poe) enabled hardware is quick and easy with new electrolynx® harnesses from mckinney. Rj45 ethernet pinout poe : The camera, poe included, is working perfectly with this pinout. Rj45 pinout diagram shows wiring for standard t568b, t568a and crossover cable! Ip camera poe pintout best way to ip camera connector punch.

Rj45 Poe Connector Pinout
Rj45 Poe Connector Pinout from img.community.ui.com
Click to find, view, print and more. Use a straight through cable from the poe injector's lan port to the rest of your network. Ip camera poe pintout best way to ip camera connector punch. Rj45 pinout diagram shows wiring for standard t568b, t568a and crossover cable! Crimp the rj45 plug with the crimper tool. Poe switches and injectors are based on the rules defined by the ieee 802.3 working group. Power over ethernet (poe) adapter: Dec 21, 2020 · on the left side is the hikvision camera's pigtail, on the right side is the rj45 connector.

8 pin rj45 (8p8c) male connector at the cables.

Pinout of ethernet 10 / 100 / 1000 mbit (cat 5, cat 5e and cat 6) network cable wiringnowdays ethernet is a most common networking standard for lan (local area network) communication. Power over ethernet (poe) is a technology, described by ieee 802.3af standard, that allows ip telephones,. Connect to a gigabit ethernet switch. 8 pin rj45 (8p8c) male connector at the cable. Remember the rj45 wiring order. Poe switches and injectors are based on the rules defined by the ieee 802.3 working group. Magnetic jacks support fast ethernet (10/100), gigabit ethernet and 10 gigabit ethernet applications. Poe is useful in situations when we want to connect network devices that are far away from. 8 pin rj45 (8p8c) male connector at the cables. The most recent revision of the board exposes the 1.0 pinout on rev 3 of the arduino uno board. Typically 48v is used in most devices. Dec 21, 2020 · on the left side is the hikvision camera's pigtail, on the right side is the rj45 connector. The sheath of the ethernet cable should extend into the plug by about 1/2 and will be held in place by the crimp.

The camera, poe included, is working perfectly with this pinout. Pinout of ethernet 10 / 100 / 1000 mbit (cat 5, cat 5e and cat 6) network cable wiringnowdays ethernet is a most common networking standard for lan (local area network) communication. Power over ethernet poe pinout diagram pinoutguide com poe pulsejack jd0 0004nl rj45 power over ethernet pinout 10 100bt rj 45 connector ethernet rj45 wiring connector pinout and colors by tsp mobile rj45 pinout for male connector plc academy rj45 connector pinout diagram furthermore 66 punch down block. A pinout is a specific arrangement of wires that dictate how the connector is terminated. Cat3 to cat5e connectors available.

568b Poe Pinout | Wiring Schematic Diagram - 8.laiser.co
568b Poe Pinout | Wiring Schematic Diagram - 8.laiser.co from planetechusa.com
Power over ethernet (poe) enabled hardware is quick and easy with new electrolynx® harnesses from mckinney. 8 pin rj45 (8p8c) male connector at the cable. Our rj45 product portfolio is build up of various form factors, rj45 jacks, ethernet magnetics, and field installable cable connectors, also supporting power over ethernet (poe), poe+, poe++ (ieee802.3at and ieee802.3bt). Pinout of power over ethernet poe and layout of 8 pin rj45 8p8c female connector and 8 pin rj45 8p8c male connectorpower over ethernet is a technology that allows ip telephones wireless lan access points security network cameras and other ip based terminals to receive power in parallel to data over the existing cat 5 ethernet infrastructure. 8 pin rj45 (8p8c) male connector at the cable. The camera, poe included, is working perfectly with this pinout. Rj45 ethernet pinout poe : The 2 remaining pairs are normally plugged to the female rj45 connector in the correct pins.

A pinout is a specific arrangement of wires that dictate how the connector is terminated.

A pinout is a specific arrangement of wires that dictate how the connector is terminated. Cat3 to cat5e connectors available. Use a straight through cable from the poe injector's lan port to the rest of your network. Like you want to connect two routers or two pcs. 8 pin rj45 (8p8c) female connector at the hub. Buy rj45 connector pinout on ebay. Power over ethernet (poe) adapter: 8 pin rj45 (8p8c) male connector at the cable. 8 pin rj45 (8p8c) male connector at the cable. Multiple platforms available, 1×1, 1xn, 2xn, vertical mount, offset, low profile. Power over ethernet (poe) is a technology, described by ieee af standard, that allows ip telephones, wireless lan. 8 pin rj45 (8p8c) male connector at the cables. Crossover ethernet cables are used to connect two devices of the same type.